Ano 2019#ciencias-natureza
Enunciado
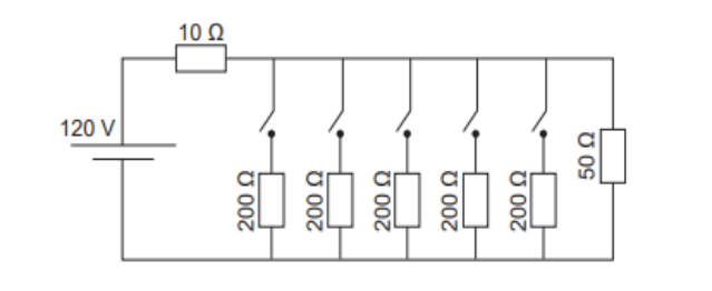
Uma casa tem um cabo elétrico mal dimensionado, de resistência igual a 10, que a conecta à rede elétrica de 120V. Nessa casa, cinco lâmpadas, de resistência igual a 200, estão conectadas ao mesmo circuito que uma televisão de resistência igual a 50, conforme ilustrado no esquema. A televisão funciona apenas com tensão entre 90V e 130V.

O número máximo de lâmpadas que podem ser ligadas sem que a televisão pare de funcionar é:
Alternativas
- A)
1
- B)
2
- C)
3
- D)
4
- E)
5
0.0 (0 avaliacoes)
Questões relacionadas
- Analise a figura.  Supondo que seja nec...
- Estima-se que haja atualmente no mundo 40 milhões de pessoas infectadas pelo HIV (o vírus que causa a AIDS), sendo que a...
- Em um experimento, preparou-se um conjunto de plantas por técnica de clonagem a partir de uma planta original que aprese...
- Na linha de uma tradição antiga, o astrônomo grego Ptolomeu (100-170 d.C.) afirmou a tese do geocentrismo, segundo a qua...
Comentarios (0)
Sem comentarios ainda. Sistema de comentarios sera ativado em breve.
Comentarios com Turnstile + login obrigatorio em desenvolvimento (questao 3264d6cd).