Ano 2017
Enunciado
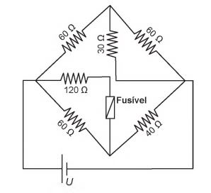
Fusível é um dispositivo de proteção contra sobrecorrente em circuitos. Quando a corrente que passa por esse componente elétrico é maior que sua máxima corrente nominal, o fusível queima. Dessa forma, evita que a corrente elevada danifique os aparelhos do circuito. Suponha que o circuito elétrico mostrado seja alimentado por uma fonte de tensão U e que o fusível suporte uma corrente nominal de 500 mA.

Qual é o máximo valor da tensão U para que o fusível não queime?
Alternativas
- A)
20 V
- B)
40 V
- C)
60 V
- D)
120 V
- E)
185 V
0.0 (0 avaliacoes)
Comentarios (0)
Sem comentarios ainda. Sistema de comentarios sera ativado em breve.
Comentarios com Turnstile + login obrigatorio em desenvolvimento (questao c55c8257).