Ano 2014
Enunciado

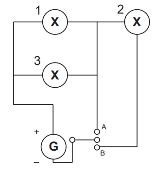
Considerando o funcionamento do circuito dado, a lâmpada 1 brilhará mais quando a chave estiver na posição
Alternativas
- A)
B, pois a corrente será maior nesse caso.
- B)
B, pois a potência total será maior nesse caso.
- C)
A, pois a resistência equivalente será menor nesse caso.
- D)
B, pois o gerador fornecerá uma maior tensão nesse caso.
- E)
A, pois a potência dissipada pelo gerador será menor nesse caso.
0.0 (0 avaliacoes)
Comentarios (0)
Sem comentarios ainda. Sistema de comentarios sera ativado em breve.
Comentarios com Turnstile + login obrigatorio em desenvolvimento (questao 368531c5).