Ano 2009
Enunciado

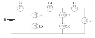
Nessa situação, quais são as três lâmpadas que acendem com o mesmo brilho por apresentarem igual valor de corrente fluindo nelas, sob as quais devem se posicionar os três atores?
Alternativas
- A)
L1, L2 e L3.
- B)
L2, L3 e L4.
- C)
L2, L5 e L7.
- D)
L4, L5 e L6.
- E)
L4, L7 e L8.
0.0 (0 avaliacoes)
Comentarios (0)
Sem comentarios ainda. Sistema de comentarios sera ativado em breve.
Comentarios com Turnstile + login obrigatorio em desenvolvimento (questao 97b0429b).